Statoils første funn – Tommeliten Alpha 1/9-1
Etter å ha boret et par (tørre) brønner med Esso som teknisk assistent og «kjørelærer» var tiden kommet for at Statoil skulle få sin svenneprøve og på egenhånd bore en letebrønn. Høsten 1976 overtok Statoil Ross Rig fra Amoco i blokk 2/8 og flyttet riggen knappe tre mil til blokk 1/9, 285 kilometer sørvest av Egersund, nesten midt mellom Storbritannia, Danmark og Norge.

Ankerhåndteringsfartøyet «Ibis One» startet oppankring med å droppe anker nummer fem. Idet anker nummer 1 og 7 skulle droppes opp mot vind og strøm, snudde vinden. Ettersom en rigg som måler 108 x 67 meter utgjør et betydelig vindfang, påvirket dette hvor riggen endte opp. Ross Rig ble liggende 350 meter vest av ønsket lokasjon – et ganske betydelig avvik. Dette kunne kompenseres noe med forhaling av ankere, og til slutt befant Ross Rig seg på 78 m vanndyp knappe 70 meter fra opprinnelig planlagt posisjon. Etter 36 timer og 45 minutter, hvorav 16 timer utgjorde venting på været, var Ross Rig klar til å bore Statoils første brønn i egen regi.
Drilling in the name of…
Dette var letebrønn nummer 121 på norsk sokkel, hvorav 41 funn. Statoil boret brønnen på vegne av Statoil/Phillips-gruppen som også inneholdt selskapene Fina og Norsk Agip. Funnene som var gjort til da, konsentrerte seg rundt Ekofisk, Frigg og Statfjord. Tredje konsesjonsrunde var enda ikke utlyst. Boremålet var en saltstokk hvor man primært lette etter petroleum av dan- (paleocen) og krittalder (om lag 66 millioner år gamle bergarter). Den samme letemodellen var påvist i Ekofisk et par mil borte, så det var godt håp om å finne noe. Det var også en plan om å bore ned i enda eldre bergarter, av jura- og triasalder, men dette lot seg ikke gjøre i denne brønnen.

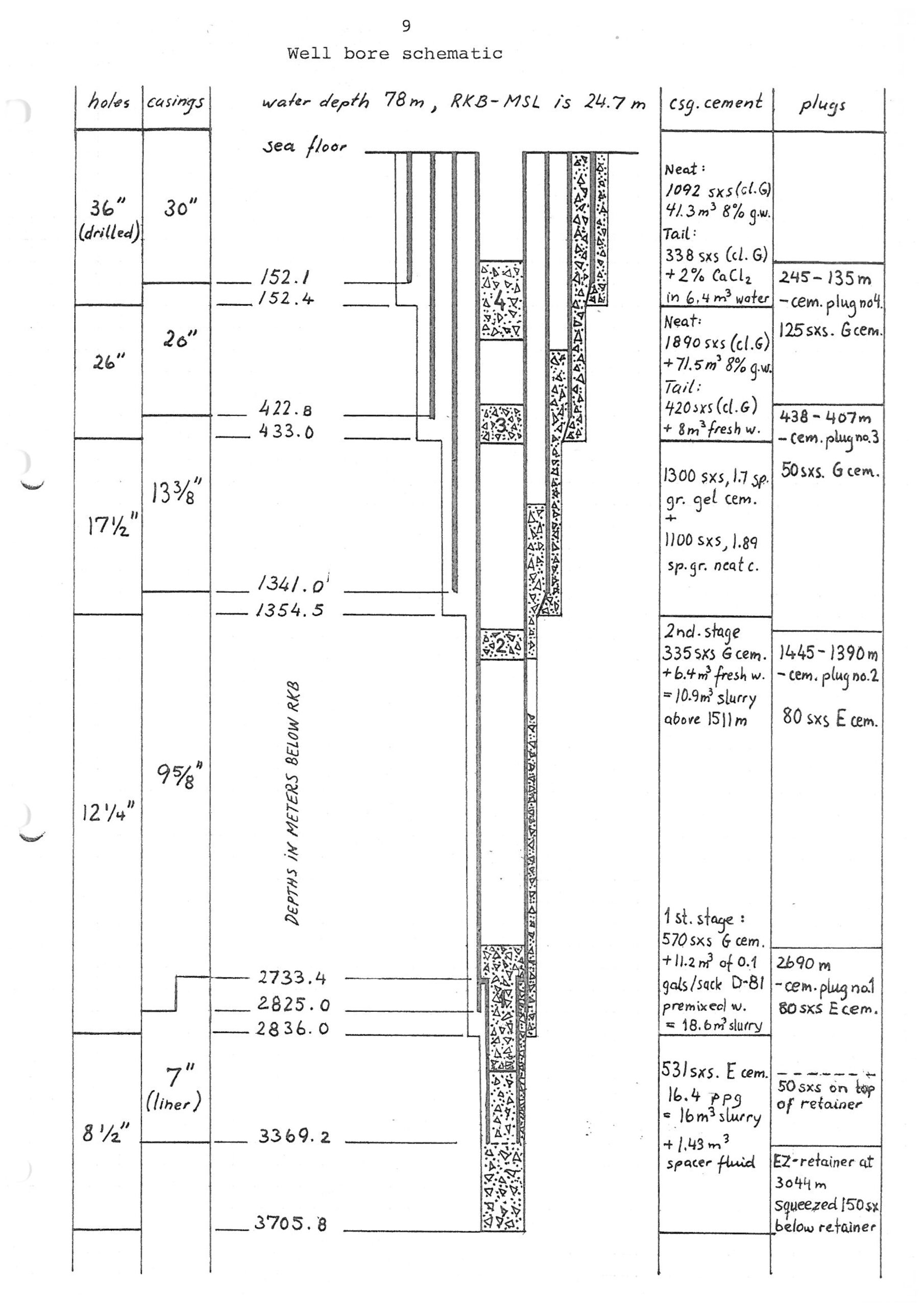
Borekronens, eller rettere sagt borekronenes vei ned mot boremålet forløp i hovedsak uten overraskelser og vansker. De første 150 meterne ble det benyttet en 36 tommer (ʺ) borekrone, avløst av 26ʺ, 17½ʺ, 12¼ʺ og til slutt en 8½ʺ som skulle bore gjennom det forventede reservoaret på mer enn 3000 meters dyp. Det er lett å tro at borekronen går vertikalt ned i undergrunnen, men i praksis skjer det ikke. Når borekronen for eksempel treffer store steiner skjærer den ut til siden, og så må den som styrer boret prøve å kompensere for det. På den måten kan det bli betydelige avvik fra det opprinnelige målet. (se fig. 3).
Den 20. november 1976, etter 37 dager med boring, dukket det fra 3045 meter under havbunnen opp borekaks av kalkstein, som lyste opp under fluoriserende lys – et tegn på tilstedeværelse av hydrokarboner. Dette var tilstrekkelig lovende til at boreleder besluttet å gå ut av borehullet med borekronen og inn med kjernetakingsutstyr. Det tok noe lengre tid enn antatt å komme ned til reservoaret. Dette vises på figur 4, hvor den faktiske kurven er flatere enn den som var beregnet på forhånd.
At dette var relativt tidlig i oljealderen kommer blant annet frem av enhetsbruken i de ulike rapportene, hvor noe er i fot som var standard amerikansk bruk, og noe er i meter, som skulle være norsk standard.
Duften av å finne
Noen liker lukten på bensinstasjoner. Sannsynligvis var geologene Asmund Haga og Jakob Bleie i den kategorien, ettersom de beskrev den første kjernen på dekk som «good odor». Kjernen fra 3048 meter under havbunnen var 9,2 meter lang og inneholdt kalkstein av danalder med olje/kondensat/petroleum. Under kjernetaking av kjerne nummer to røk en av ankerkjettingene, men uten at store problemer oppstod. Men det skulle senere vise seg at ankerkjettingen igjen forårsaket problemer. Det ble tatt totalt tolv kjerner på til sammen nesten 200 meter. Slike er viktige for å kunne gjøre detaljstudier om porøsitet, permeabilitet (gjennomstrømningsevne), vannmetning og en rekke andre egenskaper. Etter kjernetaking ble loggeverktøy senket ned i borehullet, og kunne gi ytterligere informasjon om hva som skjulte seg i dypet. Til slutt ble det boret videre til 3705,8 meter, såkalt TD (Total Depth). Basert på informasjon fra loggingen ble det besluttet å produksjonsteste hullet.

For å kunne si noe om produksjonsegenskapene til funnet ble det foretatt DST (Drill Stem Test) som produserer petroleum fra ulike soner i brønnen, både for prøvetaking og for å se hvor mye petroleum som strømmer ut fra formasjonene. Dette gjøres ved at det sementeres fast et foringsrør som i resten av brønnen (i reservoarseksjonen som er 8½ʺ settes et foringsrør på 7ʺ). Inne i foringsrøret monteres det spesialutstyr for testing, og så sprenges en ladning for å perforere veggene på foringsrøret i det ønskede området. Ettersom oljen eller gassen befinner seg under høyt trykk vil den presses inn i testrøret og gjennom dyser opp til riggen. Det finnes ikke infrastruktur for å ta unna olje eller gass under disse operasjonene, og det som kommer opp brennes av fra en flammebom som stikker ut fra plattformen. Det er, hvis testflammen brenner, et tydelig tegn på at det nedi dypet befinner seg petroleum. Det ble foretatt slike DST-er fra hele åtte ulike intervaller i brønnen, en kostbar og tidkrevende operasjon.
Under den siste DST-en røk ankerkjettingen igjen, og det ble besluttet å plugge brønnen midlertidig med mulighet for å komme tilbake å gjøre ytterligere undersøkelser. Det skjedde ikke, og brønnen ble permanent plugget ti år senere.
Undersøkelser av ankerkjettingene i etterkant indikerte at stålet var blitt overopphetet under støpning. Etter støpning skal stålet reoppvarmes for å få rett temperatur («normaliseres»), noe som ikke hadde blitt gjort på rett vis og dermed forårsaket svakheter. En slik normalisering ble foretatt og kjettingene ble resertifiserte av Det Norske Veritas, og dermed var Ross Rig klar for neste boremål som var Sleipner Vest.
Statoils første selvstendige funn fikk etter hvert navnet Tommeliten Alpha, og er beregnet til å inneholde om lag 5,8 millioner Sm³ olje samt 14,8 milliarder Sm³ gass. Equinor er ikke lenger rettighetshaver. Operatør for området pr. 31.12.2021 er ConocoPhillips, som i 2021 leverte inn en plan for utbygging og drift med forventet oppstart i 2024.
Artikkelen er basert på publisert informasjon om brønnen hentet fra OD sine faktasider.[REMOVE]Fotnote: https://factpages.npd.no/pbl/wellbore_documents/243_1_9_1_Completion_report_I.pdf
arrow_backOljen til lastebøye på StatfjordBrevet fra ODarrow_forward
